ВАША ВЫГОДА С МИНИПОГРУЗЧИКОМ BAWOO
Корпус из стали толщиной 9 мм делает минипогрузчик Bawoo неубиваемым, что вместе с качеством компонентов и сборки, позволяет использовать машины в арендном бизнесе, а также обеспечивает высокую стоимость на вторичном рынке.
Просторная кабина и удобное и точное управление по системе ISO позволят оператору работать дольше и делать больше, чем на других подобных машинах.
Применения в конструкции гусеничной системы трех опорных катков делает машину более устойчивой и увеличивает вдвое срок службы гусениц, позволяя экономить на обслуживании и замене.
Наличие серьезной защиты фронтальных цилиндров позволит избежать затрат на ремонт, дает возможность меньше «осторожничать» и выполнять работы за более короткий срок.
Компоненты ходовой части гусеничных мини-погрузчиков Bawoo имеют подшипники больших размеров, что позволяет снизить частоту вращения вала и увеличить срок службы комплектующих, позволяя экономить на ремонте
| Модель | BAWOO BSL400 |
| Двигатель | Kubota V3800-T \ Kubota V3600T |
| Мощность/Крутящий момент | 100 л.с./2600 об. мин \ 84,5 л.с./2600 об. мин |
| Топливо | Дизель |
| Тип привода | 4WD |
| Максимальная скорость | 12,5 — 18 км/ч |
| Поток гидравлической жидкости | 87,4 л/мин |
| Рабочая грузоподъемность | 1430 кг |
| Опрокидывающая нагрузка | 3010 кг |
| Объем ковша «с шапкой» | 0,5 м3 |
| Тип подъема | радиальный |
| Время подъема стрелы | 4,25 сек. |
| Время опускания стрелы | 2,65 сек. |
| Стандартные шины | 12*16,5 14PR |
| Эксплуатационная масса | 3 570 кг |
| Объем топливного бака | 84 л |
КОМПЛЕКТАЦИЯ МИНИПОГРУЗЧИКА BAWOO BSL400
- Остекленная кабина с зеркалами заднего вида
- Двухпозиционная система отопления
- Основной ковш шириной 1886 мм
- Сигнал заднего хода
- Ручной акселератор, дублер педали
- Проблесковый маячок и разъем 12В
- Указатели поворота
- Система самовыравнивания ковша на подъем
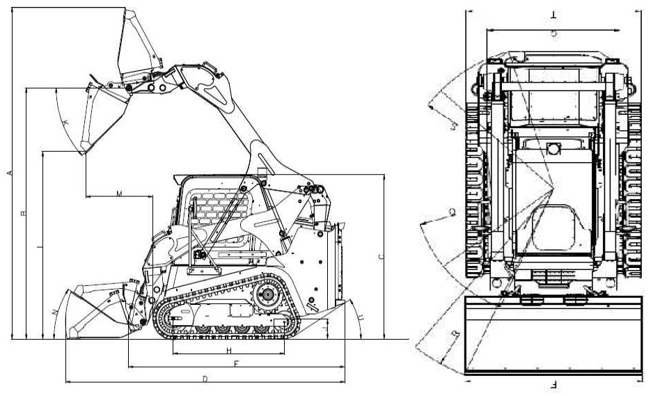
| ГАБАРИТЫ | |||
| А – Общая рабочая высота (по верху ковша) | 4 962 мм | K – Угол ковша при выгрузке | 37° |
| В – Общая рабочая высота (по шарниру) | 3 385 мм | L – Высота выгрузки | 2 620 мм |
| С – Общая высота машины (по кабине) | 2 092 мм | M – Вылет при максимальном угле разгрузки | 515 мм |
| D – Общая длина (с ковшом) | 3 585 мм | N – Угол загрузки ковша на уровне земли | 27° |
| Е – Общая длина (без ковша) | 2 863 мм | Q – Передний радиус поворота (без ковша) | 1 325 мм |
| F – Общая ширина | 1 886 мм | R – Передний радиус поворота (с ковшом) | 2 096 мм |
| G – Ширина колеи | 1 476 мм | S – Задний радиус поворота | 1 727 мм |
| H – Колесная база | 1 216 мм | T – Общая ширина (по колесам) | 1 800 мм |
| J – Дорожный просвет | 205 мм | U – Угол заднего свеса | 15° |


Bizon
DOOSAN
FRONTAL
FUKAI
HZM
LIUGONG
LOVOL
LUGONG
MOLOT
REDSTAR
SANY
SDLG
XGMA
WEICHAI










Мини погрузчики BEAVER
Мини погрузчики Locust







Bizon
Doosan
Fukai
HZM
LiuGong
Lovol
Lugong
Molot
Redstar
Sany
Sdlg
Xgma
WEICHAI